YZ35-II pump head housing is produced with high-pressure die-casting aluminum, ensuring high strength and good consistency.
Equipped with a standard electromagnetic sensor that outputs a cover-open to stop signal to enable the cover-open to stop function.
The optimized tubing clamp structure allows for easy installation and removal of the tubing, preventing abnormal damage to the tubing.
Added a lever limiter to securely fix the lever, preventing loosening due to vibrations.
304 stainless steel roller assembly, resistant to liquid leakage and corrosion.
Technical Parameter
Model No.
OEM-J401
Motor type
AC geared motor
Power supply
AC 220V(standard), AC110V(optional)
Speed(rpm)
430
Speed error
≤±10%
Working environment
0-40℃, 80% RH
Flow Range
Pump Head
Tubing
ID×Wall thickness (mm)
mL/r
Flow rate(mL/min) (430rpm)
Tubing pressure resistance(Mpa)
Continuous
Intermittent
YZ35-II
26#
6.4×3.3
6.9
2967
0.27
0.2
73#
9.6×3.3
12.3
5289
0.27
0.2
82#
12.7×3.3
20
8600
0.14
0.1
Application Cases
Large volume transfering and dispensing.
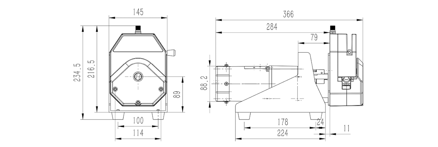
Dimension(Unit:mm)
We use cookies
Our website uses cookies to enhance user experience, personalise content and show you more relevant adverts about our great products, also to analyze our website traffic.